Images

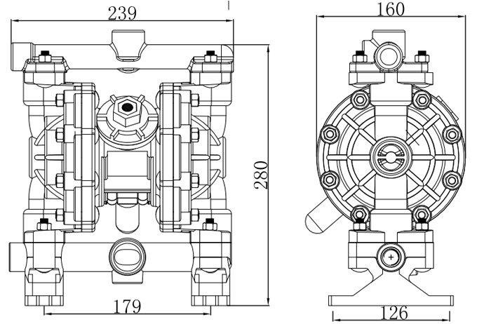
1/2" HY Plastic pump

下一条:3/4" HY Plastic pump

上一条:1/4" HY Plastic pump


Explosion-proof, zero leak, simple operation
Idling capability,Self suction, No complex control
Can transmit the adhesive liquid and large particles
low shearing,Not easy to destroy material structure
Diversity of material,no rotating parts,applicable to various erosive situations
By changing the air supply to adjust the flow delivery
By changing the air pressure to adjust the pump lift
Once over-loading ,the pump will automatically stop
No mechanical seal, easy maintenance, low cost,
Modularization of main valve and air motor. No broken, easy to disassemble and repair.




 Max. Suction Lift 
 Suction height changes with the different combinations of ball, seat and the diaphragm materials.

dry 4m
wet 7.6m

 Max. particle diamete

2.5mm

 suction and discharge size

1/2 3/4in /Npt

 Air inlet size

1/4in

 Max. flow rate

57 l/min

 Max. head

84m

 Max. air inlet pressure

8.4bar

 Max. air consumption

28scfm(0.672m³/min)

 Main body material

PP、Acetal、PVDF