Images

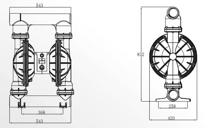
3" HY Aluminum alloy pump

下一条:已经没有了

上一条:2" HY Aluminum alloy pump


Explosion-proof, zero leak, simple operation
Idling capability,Self suction, No complex control
Can transmit the adhesive liquid and large particles
low shearing,Not easy to destroy material structure
Diversity of material,no rotating parts,applicable to various erosive situations
By changing the air supply to adjust the flow delivery
By changing the air pressure to adjust the pump lift
Once over-loading ,the pump will automatically stop
No mechanical seal, easy maintenance, low cost,
Modularization of main valve and air motor. No broken, easy to disassemble and repair.




 Max. Suction Lift 
 Suction height changes with the different combinations of ball, seat and the diaphragm materials.

dry 5m
wet 8m

 Max. particle diamete

9.4mm

 suction and discharge size

3in /Npt/F

 Air inlet size

1in

 Max. flow rate

1060 l/min

 Max. head

84m

 Max. air inlet pressure

8.4bar

 Max. air consumption

325scfm(9.1m³/min)

 Main body material

Aluminum alloy